Assembly System siMetrix 46
Profile Adapter MPA F
Application
For integrating lighter constructions within the siFramo modular secondary steel system. Enables the profile transition from the siFramo Beam Section TP F 80 or 100 to the siMetrix Profile PRO 46.
Installation
To connect the profile, depress both locking sides of the profile intake, insert the profile and close it. The locking mechanism must engage in the profile grooves. The screws are then tightened.
Adapter back plate is secured o the carrier profile TP F with 4 Self Forming Screws FLS F.
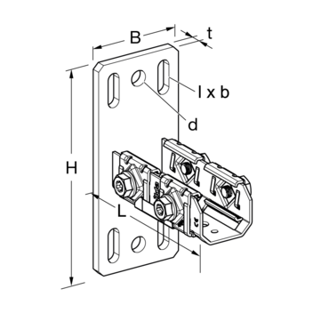
Technical Data
| Type | B [mm] | H [mm] | t [mm] | d [mm] | l x b [mm] | L [mm] | No. of Blocks with screws laterally |
|---|---|---|---|---|---|---|---|
| MPA F 80-46 | 80 | 190 | 8 | 14 | 20 x 11 | 137 | 4 x M10 |
| MPA F 100-46 | 100 | 210 | 8 | 14 | 20 x 11 | 137 | 4 x M10 |
| Type | Vx,perm. [kN] | ± Vy,perm. [kN] | Vz,perm. [kN] | - Vz,perm. [kN] | My,perm. [kNm] | - My,perm. [kNm] | ± Mz,perm. [kNm] |
|---|---|---|---|---|---|---|---|
| MPA 46 | 1,62 | 2,44 | 2,64 | 3,55 | 0,41 | 0,36 | 0,39 |
| Configuration: | Base plate welded to profile intake |
| Required tool: | T50 Bit or 17 mm (AF) Socket Bit |
| Tightening torque: | 20 Nm |
| Material: | Steel, HCP |